爆炸性气体场所防爆,防爆灯具类
爆炸性气体场所防爆,防爆配电箱类
爆炸性气体场所防爆,防爆操作柱类
爆炸性气体场所防爆,防爆电磁起动器类
爆炸性气体场所防爆,防爆开关类
爆炸性气体场所防爆,防爆按钮类
爆炸性气体场所防爆,防爆插销类
爆炸性气体场所防爆,防爆其他类
可燃性粉尘场所防爆,粉尘防爆灯具类
可燃性粉尘场所防爆,粉尘防爆配电箱类
可燃性粉尘场所防爆,粉尘防爆操作柱类
可燃性粉尘场所防爆,粉尘防爆断路器类
可燃性粉尘场所防爆,粉尘防爆电磁起动器类
可燃性粉尘场所防爆,粉尘防爆开关类
可燃性粉尘场所防爆,粉尘防爆按钮类
可燃性粉尘场所防爆,粉尘防爆插销类
可燃性粉尘场所防爆,防爆其他类
通用灯具,高杆灯
通用灯具,马路灯
通用灯具,庭园灯
通用灯具,草坪灯
矿用防爆,防爆灯具
矿用防爆,防爆电磁起动器
矿用防爆,防爆馈电开关
矿用防爆,防爆其它类
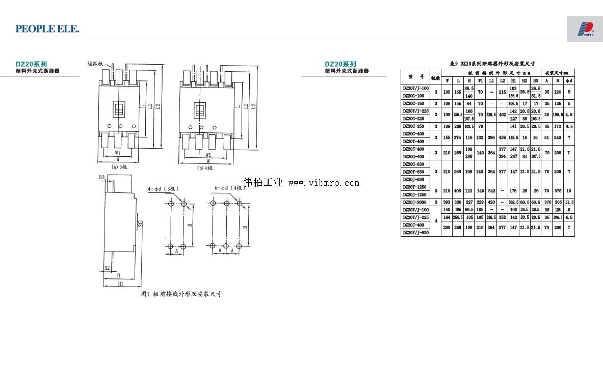
| 产品标题:DZ20J-1250/3320 700A,塑壳式断路器,PEOPLE,人民电器集团 产品ID:VIB20101225165708734 品 牌:PEOPLE人民电器 所在地:中国 上海 价 格:面议 (大量采购价格面议) 库存状态:货期待查 更新日期:2025-4-28 19:33:19 咨询电话:(+86)021-51699285 咨询Q Q: 2695337323 |






